Features
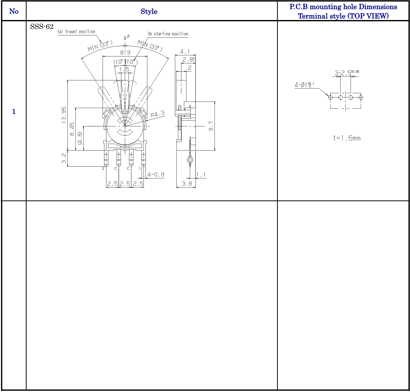
Dimensions 8.45x8.9x4.1mm
Long ON travel (single side: about 26 degree)
Custom-made of the knob style is possible and please feel free to contact us beforehand.

Applications
CD, DVD, VTR
Detection of operating position of trays
Product Number

Products Line

Typical Specifications

Dimensions Unit : mm

Circuit diagram

Notes
1.The appearance and specifications of the product may be modified to improve its performance without prior notice.
2.This catalog shows only outline specifications. When using the product, please obtain formal specifications.
3.Please see appendix [Cautions in Using Switches ].
4.This lever switch is not washable.
5.Soldering shall be done with lever at free position and take care not to attach flux on plastic portion.
6.Note that if the stress is applied to the terminals during soldering, they might cause deformation and defects in electrical performance.
7.In manual soldering, consideration should be given to apply the soldering iron to the tip of the terminal so that unusual pressure is not applied to the terminal
8.In case circuit and software design consideration against chattering and bouncing shall be taken as below.Read a few times. (Ex. 5ms for 5 times)Set delay time.Set integral circuit.
9.As to threshold voltage, center setting is recommended.
10.Care shall be taken not to apply stress to the body of switch as it may affect the performance.





